
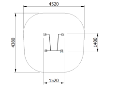
Nolla Up täydentää Nolla-sarjamme minimalistista laitevalikoimaa, Nolla Up on voimanharjoiottelun, edistyksellisen muotoilun ja yksinkertaisuuden ilmentymä. Nolla Up tarjoaa kattavan valikoiman harjoitusvaihtoehtoja, mukaan lukien punnerrukset, dippipunnerukset, soudut, jalkojen nostot ja bulgarialaiset kyykyt alavartalon voiman kehittämiseen.
Nolla Up valmistetaan Finture Oy:n tehtaalla kestävistä ja ekologisista materiaaleista.