Finture Oy

Liikuntateline 5

25TSV014

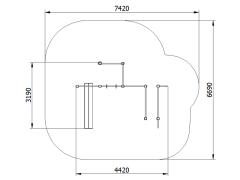
Tekniset tiedot

Korkeus
2 370 mm
Pituus
4 420 mm
Leveys
3 190 mm
Käyttäjien määrä
1-6
Ikäsuositus
4+
Suurin putoamiskorkeus
2 280 mm

Lisätietoa

  • Värimaailmat: Forest tai Summer
  • Turva-alue: 42,2m2
  • Toiminnallisuudet: Leuanvetotangot x 2, dippipunnerrustangot, voimailurenkaat, vatsalauta ja tikkaat
  • Asennustapa:
  1. Syväupotus betoniin (vakio)
  2. kansiasennus (+lisähinta)
  3. Syväupotus ilman betonia (+lisähinta)

HDPE-varustetaso (PE)

HDPE (tuotekoodi päättyy PE)

  • Runkotolpat: Mäntyliimapuu 98x98mm
  • Tasot: Mäntyliimapuu
  • Paneelit: HDPE
  • Kiipeilyseinät: HDPE
  • Katot: HDPE
  • Teräsputket: Kuumasinkitty ja jauhemaalattu
  • Maajalat: Kuumasinkitty
  • Köydet ja verkot: Teräsvahvistettu polyesterikuitu pintainen köysi

HUOLTOVAPAA-varustetaso (MF)

HUOLTOVAPAA (tuotekoodi päättyy MF)

  • Runkotolpat: Alumiini 98x98mm
  • Tasot: Komposiittipinnoitettu mäntyliimapuu
  • Paneelit: HDPE
  • Kiipeilyseinät: HDPE
  • Katot: HDPE
  • Teräsputket: Kuumasinkitty ja jauhemaalattu
  • Maajalat: Kuumasinkitty
  • Köydet ja verkot: Teräsvahvistettu polyesterikuitu pintainen köysi
1176, leikkiväline, keinu, liukumäki, hiekkalaatikko, turvallisuus

© FINTURE Oy | PL 160, 33101 Tampere | Y-Tunnus: 0848902-3 | +358 (0)50 434 2279 | myynti@finture.fi
Facebook: Finture Oy | Instagram: @finture_o